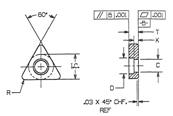
Triangular seats for indexable triangular inserts,

Style TNMA & TNMG for negative rake holders

SEAT DESIGNATION SEAT I.C. REFERENCE INSERT I.C. D T C K R
ITSN-322 0.368 ¡À0.004 0.375 0.253 ¡À0.004 0.130 +0 /-0.005 0.227 ¡À0.004 0.055 ¡À0.004 0.031 ¡À0.004
ITSN-323 0.368 ¡À0.004 0.375 0.253 ¡À0.004 0.130 +0 /-0.005 0.227 ¡À0.004 0.055 ¡À0.004 0.047 ¡À0.004
ITSN-323-T 0.345 ¡À0.004 0.375 0.253 ¡À0.004 0.130 +0 /-0.005 0.227 ¡À0.004 0.055 ¡À0.004 0.047 ¡À0.004
ITSN-324 0.368 ¡À0.004 0.375 0.253 ¡À0.004 0.130 +0 /-0.005 0.227 ¡À0.004 0.055 ¡À0.004 0.062 ¡À0.004
ITSN-326 0.368 ¡À0.004 0.375 0.253 ¡À0.004 0.130 +0 /-0.005 0.227 ¡À0.004 0.055 ¡À0.004 0.093 ¡À0.004
ITSN-327 0.368 ¡À0.004 0.375 0.253 ¡À0.004 0.130 +0 /-0.005 0.227 ¡À0.004 0.055 ¡À0.004 0.109 ¡À0.004
ITSN-332 0.368 ¡À0.004 0.375 0.253 ¡À0.004 0.192 +0 /-0.005 0.227 ¡À0.004 0.055 ¡À0.004 0.031 ¡À0.004
ITSN-333 0.368 ¡À0.004 0.375 0.253 ¡À0.004 0.192 +0 /-0.005 0.227 ¡À0.004 0.055 ¡À0.004 0.047 ¡À0.004
ITSN-334 0.368 ¡À0.004 0.375 0.253 ¡À0.004 0.192 +0 /-0.005 0.227 ¡À0.004 0.055 ¡À0.004 0.062 ¡À0.004
ITSN-431 0.493 ¡À0.004 0.500 0.315 ¡À0.005 0.192 +0 /-0.005 0.289 ¡À0.004 0.088 ¡À0.004 0.016 ¡À0.004
ITSN-432 0.493 ¡À0.004 0.500 0.315 ¡À0.005 0.192 +0 /-0.005 0.289 ¡À0.004 0.088 ¡À0.004 0.031 ¡À0.004
ITSN-432-T 0.455 ¡À0.004 0.500 0.325 ¡À0.004 0.192 +0 /-0.005 0.255 ¡À0.004 0.088 ¡À0.004 0.031 ¡À0.004
ITSN-433-T 0.455 ¡À0.004 0.500 0.325 ¡À0.004 0.192 +0 /-0.005 0.255 ¡À0.004 0.088 ¡À0.004 0.047 ¡À0.004
ITSN-434-T 0.455 ¡À0.004 0.500 0.325 ¡À0.004 0.192 +0 /-0.005 0.255 ¡À0.004 0.088 ¡À0.004 0.062 ¡À0.004
ITSN-435-T 0.455 ¡À0.004 0.500 0.325 ¡À0.004 0.192 +0 /-0.005 0.255 ¡À0.004 0.088 ¡À0.004 0.078 ¡À0.004
ITSN-434 0.493 ¡À0.004 0.500 0.315 ¡À0.005 0.192 +0 /-0.005 0.289 ¡À0.004 0.088 ¡À0.004 0.062 ¡À0.004
ITSN-436 0.493 ¡À0.004 0.500 0.315 ¡À0.005 0.192 +0 /-0.005 0.289 ¡À0.004 0.088 ¡À0.004 0.093 ¡À0.004
ITSN-438 0.493 ¡À0.004 0.500 0.315 ¡À0.005 0.192 +0 /-0.005 0.289 ¡À0.004 0.088 ¡À0.004 0.125 ¡À0.004
ITSN-439 0.493 ¡À0.004 0.500 0.315 ¡À0.005 0.192 +0 /-0.005 0.289 ¡À0.004 0.088 ¡À0.004 0.140 ¡À0.004
ITSN-532-T 0.570 ¡À0.004 0.625 0.450 ¡À0.005 0.192 +0 /-0.005 0.380 ¡À0.004 0.088 ¡À0.004 0.031 ¡À0.004
ITSN-533 0.618 ¡À0.006 0.625 0.450 ¡À0.005 0.192 +0 /-0.005 0.380 ¡À0.004 0.088 ¡À0.004 0.047 ¡À0.004
ITSN-534 0.618 ¡À0.006 0.625 0.450 ¡À0.005 0.192 +0 /-0.005 0.380 ¡À0.004 0.088 ¡À0.004 0.062 ¡À0.004
ITSN-535 0.618 ¡À0.006 0.625 0.450 ¡À0.005 0.192 +0 /-0.005 0.380 ¡À0.004 0.088 ¡À0.004 0.078 ¡À0.004
ITSN-538 0.618 ¡À0.006 0.625 0.450 ¡À0.005 0.192 +0 /-0.005 0.380 ¡À0.004 0.088 ¡À0.004 0.125 ¡À0.004
ITSN-539 0.618 ¡À0.006 0.625 0.450 ¡À0.005 0.192 +0 /-0.005 0.380 ¡À0.004 0.088 ¡À0.004 0.140 ¡À0.004
ITSN-636 0.743 ¡À0.007 0.750 0.513 ¡À0.005 0.192 +0 /-0.005 0.443 ¡À0.004 0.088 ¡À0.004 0.093 ¡À0.004
ITSN-637 0.743 ¡À0.007 0.750 0.513 ¡À0.005 0.192 +0 /-0.005 0.443 ¡À0.004 0.088 ¡À0.004 0.109 ¡À0.004
ITSN-647 0.743 ¡À0.007 0.750 0.513 ¡À0.005 0.255 +0 /-0.005 0.443 ¡À0.004 0.088 ¡À0.004 0.109 ¡À0.004

All dimensions in inches.