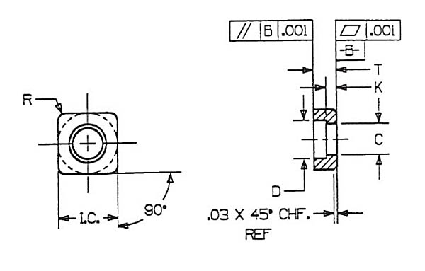
Square seats for indexable square inserts,

Style SNMA & SNMG for negative rake holders

SEAT DESIGNATION SEAT I.C. REFERENCE INSERT I.C. D T C K R
ISSN-322 0.365 ¡À0.004 0.375 0.253 ¡À0.004 0.130 +0 /-0.005 0.227 ¡À0.004 0.055 ¡À0.004 0.031 ¡À0.004
ISSN-323 0.365 ¡À0.004 0.375 0.253 ¡À0.004 0.130 +0 /-0.005 0.227 ¡À0.004 0.055 ¡À0.004 0.047 ¡À0.004
ISSN-432 0.490 ¡À0.005 0.500 0.315 ¡À0.004 0.192 +0 /-0.005 0.289 ¡À0.004 0.088 ¡À0.004 0.031 ¡À0.004
ISSN-433 0.490 ¡À0.005 0.500 0.315 ¡À0.004 0.192 +0 /-0.005 0.289 ¡À0.004 0.088 ¡À0.004 0.047 ¡À0.004
ISSN-436 0.490 ¡À0.005 0.500 0.315 ¡À0.004 0.192 +0 /-0.005 0.289 ¡À0.004 0.088 ¡À0.004 0.093 ¡À0.004
ISSN-438 0.490 ¡À0.005 0.500 0.315 ¡À0.004 0.192 +0 /-0.005 0.289 ¡À0.004 0.088 ¡À0.004 0.125 ¡À0.004
ISSN-443 0.490 ¡À0.005 0.500 0.315 ¡À0.004 0.255 +0 /-0.005 0.289 ¡À0.004 0.088 ¡À0.004 0.047 ¡À0.004
ISSN-446 0.490 ¡À0.005 0.500 0.315 ¡À0.004 0.255 +0 /-0.005 0.289 ¡À0.004 0.088 ¡À0.004 0.093 ¡À0.004
ISSN-532 0.615 ¡À0.006 0.625 0.450 ¡À0.005 0.192 +0 /-0.005 0.380 ¡À0.004 0.088 ¡À0.004 0.031 ¡À0.004
ISSN-533 0.615 ¡À0.006 0.625 0.450 ¡À0.005 0.192 +0 /-0.005 0.380 ¡À0.004 0.088 ¡À0.004 0.047 ¡À0.004
ISSN-536 0.615 ¡À0.006 0.625 0.450 ¡À0.005 0.192 +0 /-0.005 0.380 ¡À0.004 0.088 ¡À0.004 0.093 ¡À0.004
ISSN-543 0.615 ¡À0.006 0.625 0.450 ¡À0.005 0.255 +0 /-0.005 0.380 ¡À0.004 0.088 ¡À0.004 0.047 ¡À0.004
ISSN-546 0.615 ¡À0.006 0.625 0.450 ¡À0.005 0.255 +0 /-0.005 0.380 ¡À0.004 0.088 ¡À0.004 0.093 ¡À0.004
ISSN-553 0.615 ¡À0.006 0.625 0.450 ¡À0.005 0.315 +0 /-0.005 0.380 ¡À0.004 0.088 ¡À0.004 0.047 ¡À0.004
ISSN-632 0.740 ¡À0.007 0.750 0.513 ¡À0.005 0.192 +0 /-0.005 0.443 ¡À0.004 0.088 ¡À0.004 0.031 ¡À0.004
ISSN-633 0.740 ¡À0.007 0.750 0.513 ¡À0.005 0.192 +0 /-0.005 0.443 ¡À0.004 0.088 ¡À0.004 0.047 ¡À0.004
ISSN-634 0.740 ¡À0.007 0.750 0.513 ¡À0.005 0.192 +0 /-0.005 0.443 ¡À0.004 0.088 ¡À0.004 0.062 ¡À0.004
ISSN-636 0.740 ¡À0.007 0.750 0.513 ¡À0.005 0.192 +0 /-0.005 0.443 ¡À0.004 0.088 ¡À0.004 0.093 ¡À0.004
ISSN-638 0.740 ¡À0.007 0.750 0.513 ¡À0.005 0.192 +0 /-0.005 0.443 ¡À0.004 0.088 ¡À0.004 0.125 ¡À0.004
ISSN-643 0.740 ¡À0.007 0.750 0.513 ¡À0.005 0.255 +0 /-0.005 0.443 ¡À0.004 0.088 ¡À0.004 0.047 ¡À0.004
ISSN-644 0.740 ¡À0.007 0.750 0.513 ¡À0.005 0.255 +0 /-0.005 0.443 ¡À0.004 0.088 ¡À0.004 0.062 ¡À0.004
ISSN-646 0.740 ¡À0.007 0.750 0.513 ¡À0.005 0.255 +0 /-0.005 0.443 ¡À0.004 0.088 ¡À0.004 0.093 ¡À0.004
ISSN-836 0.990 ¡À0.008 1.000 0.639 ¡À0.006 0.192 +0 /-0.005 0.568 ¡À0.004 0.088 ¡À0.004 0.093 ¡À0.004
ISSN-844 0.990 ¡À0.008 1.000 0.639 ¡À0.006 0.255 +0 /-0.005 0.568 ¡À0.004 0.115 ¡À0.004 0.062 ¡À0.004
ISSN-846 0.990 ¡À0.008 1.000 0.639 ¡À0.006 0.255 +0 /-0.005 0.568 ¡À0.004 0.115 ¡À0.004 0.093 ¡À0.004
ISSN-848 0.990 ¡À0.008 1.000 0.639 ¡À0.006 0.255 +0 /-0.005 0.568 ¡À0.004 0.115 ¡À0.004 0.125 ¡À0.004
ISSN-856 0.990 ¡À0.008 1.000 0.639 ¡À0.006 0.315 +0 /-0.005 0.568 ¡À0.004 0.115 ¡À0.004 0.093 ¡À0.004
ISSN-858 0.990 ¡À0.008 1.000 0.639 ¡À0.006 0.315 +0 /-0.005 0.568 ¡À0.004 0.115 ¡À0.004 0.125 ¡À0.004

All dimensions in inches.