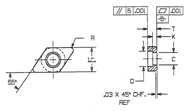
55¡ãrhombic seats for indexable 55¡ãrhombic inserts,

Style DNMA & DNMG for negative rake holders

SEAT DESIGNATION SEAT I.C. REFERENCE INSERT I.C. D T C K R
IDSN-322 0.365 ¡À0.005 0.375 0.255 ¡À0.004 0.130 +0 /-0.005 0.227 ¡À0.004 0.055 ¡À0.004 0.031 ¡À0.004
IDSN-423 0.490 ¡À0.005 0.500 0.315 ¡À0.004 0.130 +0 /-0.005 0.289 ¡À0.004 0.055 ¡À0.004 0.047 ¡À0.004
IDSN-432 0.490 ¡À0.005 0.500 0.315 ¡À0.004 0.192 +0 /-0.005 0.289 ¡À0.004 0.088 ¡À0.004 0.031 ¡À0.004
IDSN-433 0.490 ¡À0.005 0.500 0.315 ¡À0.004 0.192 +0 /-0.005 0.289 ¡À0.004 0.088 ¡À0.004 0.047 ¡À0.004
IDSN-434 0.490 ¡À0.005 0.500 0.315 ¡À0.004 0.192 +0 /-0.005 0.289 ¡À0.004 0.088 ¡À0.004 0.062 ¡À0.004
IDSN-442 0.490 ¡À0.005 0.500 0.315 ¡À0.004 0.255 +0 /-0.005 0.289 ¡À0.004 0.088 ¡À0.004 0.031 ¡À0.004
IDSN-443 0.490 ¡À0.005 0.500 0.315 ¡À0.004 0.255 +0 /-0.005 0.289 ¡À0.004 0.088 ¡À0.004 0.047 ¡À0.004
IDSN-444 0.490 ¡À0.005 0.500 0.315 ¡À0.004 0.255 +0 /-0.005 0.289 ¡À0.004 0.088 ¡À0.004 0.062 ¡À0.004
IDSN-453 0.490 ¡À0.005 0.500 0.315 ¡À0.004 0.315 +0 /-0.005 0.289 ¡À0.004 0.088 ¡À0.004 0.047 ¡À0.004
IDSN-532 0.615 ¡À0.006 0.625 0.414 ¡À0.004 0.192 +0 /-0.005 0.380 ¡À0.004 0.088 ¡À0.004 0.031 ¡À0.004
IDSN-533 0.615 ¡À0.006 0.625 0.414 ¡À0.004 0.192 +0 /-0.005 0.380 ¡À0.004 0.088 ¡À0.004 0.047 ¡À0.004
IDSN-543 0.615 ¡À0.006 0.625 0.414 ¡À0.004 0.255 +0 /-0.005 0.380 ¡À0.004 0.088 ¡À0.004 0.047 ¡À0.004
IDSN-548 0.615 ¡À0.006 0.625 0.414 ¡À0.004 0.255 +0 /-0.005 0.380 ¡À0.004 0.088 ¡À0.004 0.125 ¡À0.004
IDSN-553 0.615 ¡À0.006 0.625 0.414 ¡À0.004 0.315 +0 /-0.005 0.380 ¡À0.004 0.088 ¡À0.004 0.047 ¡À0.004

All dimensions in inches.