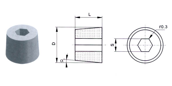
Heading die blanks for making hexagonal nuts |
 |
Type |
Dimension |
Type |
Dimension |
S |
D |
Range of L |
¦Á¡£ |
S |
D |
Range of L |
¦Á¡£ |
BF02612- |
2.6 |
12 |
8-12 |
- |
BF12028- |
12.0 |
28 |
18 |
5-7 |
BF03316- |
3.3 |
16 |
8-12 |
- |
BF12132- |
12.1 |
32 |
8-12 |
|
BF03412- |
3.4 |
12 |
8-12 |
- |
BF12132- |
12.1 |
32 |
18-22 |
|
BF04316- |
4.3 |
16 |
8-12 |
- |
BF13236- |
13.2 |
36 |
20-24 |
|
BF04416- |
4.4 |
16 |
10-14 |
- |
BF13236- |
13.2 |
36 |
26-34 |
|
BF04816- |
4.8 |
16 |
12-16 |
- |
BF13728- |
13.7 |
28 |
12 |
5-7 |
BF04820- |
4.8 |
20 |
12-16 |
- |
BF14036- |
14.0 |
36 |
25 |
5-7 |
BF06120- |
6.1 |
20 |
5 |
5-7 |
BF15040- |
15.0 |
40 |
22-24 |
|
BF06320- |
6.3 |
20 |
14-18 |
- |
BF15040- |
15.0 |
40 |
26-34 |
|
BF06320- |
6.3 |
20 |
14-18 |
- |
BF16734- |
16.7 |
34 |
12 |
5-7 |
BF07220- |
7.2 |
20 |
6 |
5-7 |
BF17039- |
17.0 |
39 |
30 |
5-7 |
BF07224- |
7.2 |
24 |
14-18 |
- |
BF17044- |
17.0 |
44 |
26-34 |
|
BF07328- |
7.3 |
28 |
14-18 |
- |
BF17936- |
17.9 |
36 |
13.5 |
5-7 |
BF07328- |
7.3 |
28 |
18-22 |
- |
BF19044- |
19.0 |
44 |
18.5 |
5-7 |
BF08920- |
8.9 |
20 |
7 |
5-7 |
BF19952- |
19.9 |
52 |
34-38 |
|
BF09022- |
9.0 |
22 |
8 |
5-7 |
BF20543- |
20.5 |
43 |
16.5 |
5-7 |
BF09126- |
9.1 |
26 |
16 |
5-7 |
BF22458- |
22.4 |
58 |
20.5 |
5-7 |
BF09230- |
9.2 |
30 |
14-18 |
- |
BF22858- |
22.8 |
58 |
36-44 |
|
BF09328- |
9.3 |
28 |
14-18 |
- |
BF22863- |
22.8 |
63 |
44.5 |
5-7 |
BF09328- |
9.3 |
28 |
18-22 |
- |
BF22944- |
22.9 |
44 |
17.0 |
5-7 |
BF11236- |
11.2 |
36 |
20-24 |
- |
BF28172- |
28.1 |
72 |
45-55 |
|
BF11236- |
11.2 |
36 |
26-34 |
- |
BF28759- |
28.7 |
59 |
24.0 |
5-7 |
BF11732- |
11.7 |
32 |
19 |
5-7 |
|
|
|
|
|
|
| |
| Tolerances of the inner diameter(d) of the blanks as per table below (mm) |
Nominal inner dia. |
Nominal length |
¡Ü18 |
£¾18-30 |
£¾30-50 |
£¾50 |
¡Ü6 |
0-0.45 |
0-0.55 |
0-0.65 |
- |
£¾6-10 |
0-0.50 |
0-0.60 |
0-0.70 |
0-0.80 |
£¾10-14 |
0-0.55 |
0-0.70 |
0-0.80 |
0-0.90 |
£¾14-18 |
0-0.60 |
0-0.80 |
0-0.90 |
0-1.00 |
£¾18-24 |
0-0.65 |
0-0.90 |
0-1.00 |
0-1.10 |
£¾24 |
0-0.70 |
0-1.00 |
0-1.10 |
0-1.20 |
|
| |
| Tolerances of out diameters(D) as per the table below (mm) |
Nominal out
diameters |
Nominal length |
¡Ü18 |
£¾18-30 |
£¾30-50 |
£¾50 |
¡Ü14 |
+0.50
-0.40 |
+0.50
-0.40 |
+0.60
-0.40 |
+0.65
-0.40 |
£¾14-18 |
+0.55
-0.40 |
+0.55
-0.40 |
+0.60
-0.45 |
+0.65
-0.45 |
£¾18-24 |
+0.60
-0.40 |
+0.60
-0.40 |
+0.65
-0.45 |
+0.70
-0.45 |
£¾24-30 |
+0.65
-0.45 |
+0.65
-0.45 |
+0.70
-0.50 |
+0.75
-0.50 |
£¾30-45 |
+0.70
-0.50 |
+0.70
-0.50 |
+0.75
-0.60 |
+0.80
-0.60 |
£¾44-55 |
+0.75
-0.55 |
+0.80
-0.60 |
+0.85
-0.65 |
+0.80
-0.65 |
£¾55 |
- |
+0.90
-0.70 |
+0.95
-0.75 |
+1.00
-0.80 |
|
| |
| Tolerance of blank height(H) as per the table below (mm) |
Nominal out
diameters |
Nominal diameters |
¡Ü18 |
£¾18-30 |
£¾30-50 |
£¾50 |
¡Ü14 |
+0.50
-0.40 |
+0.50
-0.40 |
+0.60
-0.40 |
+0.65
-0.40 |
£¾14-18 |
+0.55
-0.40 |
+0.55
-0.40 |
+0.60
-0.45 |
+0.65
-0.45 |
£¾18-24 |
+0.60
-0.40 |
+0.60
-0.40 |
+0.65
-0.45 |
+0.70
-0.45 |
£¾24-30 |
+0.65
-0.45 |
+0.65
-0.45 |
+0.70
-0.50 |
+0.75
-0.50 |
£¾30-45 |
+0.70
-0.50 |
+0.70
-0.50 |
+0.75
-0.60 |
+0.80
-0.60 |
£¾44-55 |
+0.75
-0.55 |
+0.80
-0.60 |
+0.85
-0.65 |
+0.80
-0.65 |
£¾55 |
- |
+0.90
-0.70 |
+0.95
-0.75 |
+1.00
-0.80 |
|
| |
| The flatness as per the table below |
Nominal length |
¡Ü18 |
£¾18-30 |
£¾30-50 |
£¾50 |
Flatness ¡Ü |
0.30 |
0.35 |
0.40 |
0.55 |
|
| |