Type 40 : Drawing dies for square rods |
 |
Type 41 : Drawing dies for flat materials |
 |
Type 42 : Drawing dies for rectangular material |
 |
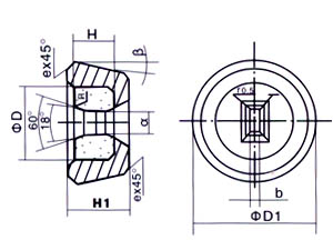
Type 60 : Drawing dies for hexagonal materials |
 |
|
Type |
Size of die blank |
Size of steel sleeve |
Range of nib diameter |
D |
H |
¦Á¡ã |
D1 |
H1 |
40 |
16 |
12 |
14¡ã |
33 |
20 |
1.8-2.7 |
22 |
18 |
14¡ã |
40 |
26 |
2.8-4.6 |
30 |
21 |
14¡ã |
66 |
30 |
4.7-7.7 |
35 |
25 |
14¡ã |
70 |
35 |
7.8-10.7 |
45 |
25 |
14¡ã |
100 |
35 |
10.8-15.7 |
50 |
28 |
14¡ã |
125 |
45 |
15.8-19.7 |
60 |
30 |
16¡ã |
135 |
50 |
19.8-24.7 |
65 |
32 |
16¡ã |
140 |
50 |
24.8-28.5 |
70 |
35 |
16¡ã |
150 |
55 |
28.6-32.5 |
80 |
35 |
16¡ã |
170 |
55 |
32.6-38.5 |
90 |
40 |
20¡ã |
180 |
65 |
38.6-42.5 |
100 |
40 |
20¡ã |
190 |
70 |
42.6-49.5 |
120 |
45 |
20¡ã |
200 |
70 |
49.6-55 |
41 |
|
|
|
|
|
size of a¡¢b |
30 |
21 |
|
66 |
30 |
6.7¡Á4.7 |
35 |
25 |
|
70 |
35 |
7.7-9.7¡Á2.7-7.7 |
45 |
25 |
|
100 |
35 |
11.7¡Á7.7-9.7 |
50 |
28 |
|
125 |
45 |
13.7-17.6¡Á6.7-15.7 |
60 |
30 |
|
135 |
50 |
19.6-23.6¡Á7.7-14.7 |
42 |
|
|
|
|
|
size of a¡¢b |
20 |
12 |
|
40 |
20 |
1.9-3.8¡Á1.0-2.0 |
25 |
15 |
|
45 |
23 |
3.9-7.1¡Á1.0-4.0 |
35 |
18 |
|
70 |
26 |
7.2-12.7¡Á1.1-6.5 |
45 |
20 |
|
100 |
30 |
12.8-15¡Á1.4-6.0 |
50 |
20 |
|
125 |
35 |
16.5-24¡Á1.0-6.0 |
60 |
20 |
|
135 |
35 |
24.5-32¡Á1.0-4.0 |
60 |
|
|
¦Á¡ã |
|
|
size of S |
30 |
21 |
14¡ã |
66 |
30 |
2.5-8.5 |
35 |
21 |
14¡ã |
70 |
30 |
8.6-11.0 |
40 |
25 |
14¡ã |
90 |
35 |
11.5-13.0 |
45 |
25 |
14¡ã |
100 |
35 |
13.5-19.0 |
55 |
28 |
14¡ã |
130 |
40 |
19.5-24.0 |
65 |
30 |
16¡ã |
140 |
50 |
24.5-29.0 |
75 |
35 |
16¡ã |
160 |
55 |
29.5-38.0 |
90 |
35 |
16¡ã |
180 |
65 |
38.3-50.0 |
100 |
40 |
16¡ã |
190 |
70 |
52.0-58.5 |
120 |
42 |
16¡ã |
200 |
70 |
59.5-75.0 |
|