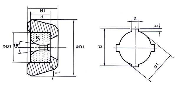
Drawing dies for drawing screwed steel wires
 

Suitable for drawing screwed steel wires of diameter 4, 5, 6, 7, 8, etc. Or different types of steel wire and tubes. Surface finish of inner hole is over Details for drawing and specifications see below.

Nominal diameter number of screws.

Dia.

13

12

11

10

9

8

7

6

5

4.8

4

3

d1

12.4

11.5

10.5

9.6

8.6

7.7

6.7

5.8

4.8

4.6

3.85

2.8

d

13.5

12.6

11.6

10.6

9.6

8.5

7.5

6.5

5.4

5.2

4.25

3.2

a

2.6-3.3

2.4-3.0

2.2-2.8

2.0-2.5

1.8-2.3

1.8-2.2

1.8-2.2

1.3-2.0

1.2-1.8

1.2-1.8

1.0-1.5

1.0-1.5

b

0.50

0.50

0.50

0.50

0.50

0.40

0.40

0.35

0.25

0.25

0.20

0.20

ÖáÏò½îÊý

6

6

6

6

6

6

4

4

4

4

3 or 4

3

µ¼³Ì

75-90

75-85

85-80

60-75

60-70

45-56

45-56

38-45

34-40

34-40

32-36

30-35

All dimensions in (mm)
 
Remarks: size of steel case can be decided by customers.