 |
Suited for drawing carious ferrous and nonferrous wires, rods and tubes with diameters of 0.25mm-90.mm.
They are available in the types of 10, 11, 12, 13, 20, 21, 22, 23, W1, S11, S13 and (A B C D E F)
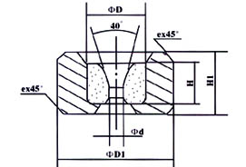
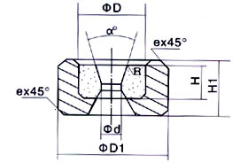
The sketches and sizes of the drawing dies common in use are shown in the following figures and table. |