| |
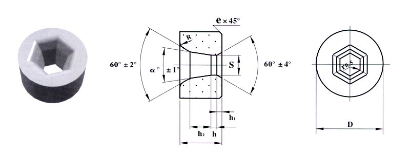
Type 60
Carbide drawing die nibs for drawing hexagonal ferrous metal bars |
 |
Type |
D |
H |
Range of S |
h |
¦Á¡ã |
60- |
30 |
21 |
2.5-7.7 |
1.5-2 |
14¡ã |
35 |
21 |
8.6-10.6 |
3 |
40 |
25 |
11.5-12.5 |
3.5 |
45 |
25 |
13.5-18.5 |
4 |
55 |
28 |
19.5-23.5 |
5 |
65 |
30 |
24.5-28.5 |
6 |
16¡ã |
75 |
35 |
29.5-37.3 |
7 |
90 |
35 |
38.0-49.0 |
7 |
100 |
40 |
52.0-57.5 |
8 |
120 |
42 |
59.5-74.5 |
8 |
|
All dimensions in (mm)
|
|