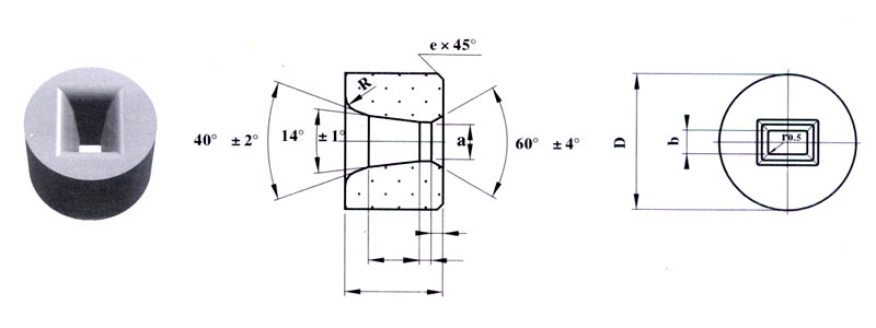
Type 41

Carbide drawing die nibs for drawing rectangular

non-ferrous metal bars

Type

D

H

a

b

H

41-

30

21

6.7

4.7

2

35

25

7.7-9.7

5.7-7.7

3

45

25

11.7

5.7-9.7

3.5

50

28

13.7-17.6

6.7-15.7

4

60

30

19.2-23.6

7.7-14.7

5

All dimensions in (mm)